Số lượng:
Mã sku: SAMYANGMG153
Nhà sản xuất: Nara Samyang, Hàn Quốc
NHẬN BÁO GIÁ MỚI NHẤT
Facebook: https://www.facebook.com/kiduco
Động cơ giảm tốc Nara Samyang Max Geared Motor MG153 có công suất 1.5kW hoặc 2 HP đươc các nhà máy FDA vận hành theo công nghệ Hàn Quốc, Nhật Bản và Châu Âu sử dụng.
Samyang MG153 có chất lượng tốt hơn động cơ tương đương từ Trung Quốc, và giá rẻ hơn so với sản phẩm cùng thông số từ châu Âu. Do đó, khi chọn động cơ có công suất 1.5kW chất lượng với giá cả phù hợp thì Nara Samyang là lựa chọn hợp lý cho quý khách.
Kiên Dũng còn cung cấp các lựa chọn khác về giá cả và xuất xứ cho motor giảm tốc 1.5kW, bao gồm Đài, Trung, Nhật, Đức, Ý.
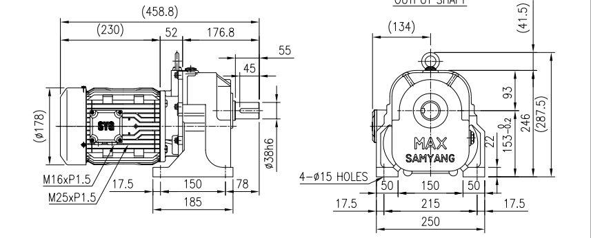
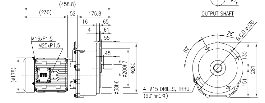
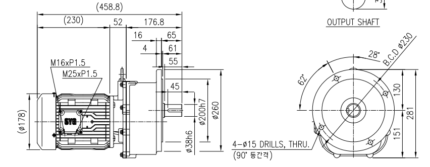
1. Bản vẽ và Thông số kỹ thuật Động cơ giảm tốc Samyang MG153
Motor giảm tốc Nara MG153 có ba biến thể chính là mã Samyang MG-153F (kiểu lắp chân đế), Samyang MG-153V và Samyang MG-153L (dạng motor, không có hộp số). Động cơ có công suất đầu ra định mức 1.5kW hay 2 HP (2 mã).
| Sản phẩm | Các mã sản phẩm | Số mã (HP) | Công suất (Kw) | Số vòng quay đầu ra (RPM) | Tỷ số truyền |
|---|---|---|---|---|---|
| MG 153 | Samyang MG153F, Samyang MG153V, Samyang MG153L | 2 | 1.5 | 60~180 | 1/10 ~ 1/30 |
Thông số kỹ thuật các động cơ giảm tốc khác:

HÌNH ẢNH SẢN PHẨM
Dưới đây là hình ảnh đại diện cho mã MG153 với kiểu lắp chân đến và mặt bích:

Dưới đây là bản vẽ kỹ thuật của động cơ, dạng 3 pha, công suất 1.5kW, kiếu lắp mặt bích và chân đế, lần lượt ứng với Samyang MG-153F và Samyang MG-153V


Các lí do mà khách hàng nên chọn Kiên Dũng làm đối tác cung cấp động cơ giảm tốc công suất 1.5kW - 2 HP:
Uy quyền đại lý chính hãng: Chúng tôi là đại diện chính thức của Nara Samyang tại Việt Nam, cam kết cung cấp sản phẩm chính hãng với mức giá cạnh tranh.
Đa dạng lựa chọn: Chúng tôi cung cấp nhiều loại động cơ giảm tốc từ 1.5kW, có nguồn gốc từ nhiều quốc gia khác nhau như Trung Quốc, Đài Loan, Nhật Bản, Hàn Quốc và châu Âu.
Chính sách minh bạch: Bảo hành ít nhất 01 năm, giao hàng toàn quốc và chiết khấu khi mua số lượng lớn.
Dịch vụ nhanh chóng: Giao hàng nhanh, giảm thiểu thời gian máy ngừng vận hành.
Đội ngũ kỹ sư kinh nghiệm: Được tư vấn bởi các kỹ sư có kinh nghiệm từ Hòa Phát, SS Posco Vina, Formosa,... giúp quý khách lựa chọn sản phẩm phù hợp.
Đóng góp xã hội: Kiên Dũng là công ty chú trọng đến trách nhiệm xã hội, thường xuyên thực hiện các hoạt động thiện nguyện, đặc biệt vào dịp Trung Thu.


CÔNG TY TNHH THƯƠNG MẠI SẢN XUẤT KIÊN DŨNG
Địa chỉ: 1 Đường Số 31A, An Phú, Thành phố Thủ Đức, Thành phố Hồ Chí Minh 70830, Việt Nam
Hotline: 0988.461.465
Zalo: tại đây
Fanpage để biết thêm về khả năng của chúng tôi: https://www.facebook.com/kiduco