Số lượng:
Khớp nối cardan UJ Tech thuộc nhà sản xuất UJ Tech, Hàn Quốc. UJ Tech là nhà sản xuất chuyên biệt về khớp nối vạn năng tại Hàn Quốc, UJ Tech đã phát triển để trở thành nhà cung cấp giải pháp cạnh tranh được trang bị nhiều bằng sáng chế và kinh nghiệm phong phú kể từ khi thành lập vào năm 1982. Cung cấp sản phẩm của mình cho nhiều lĩnh vực khác nhau, bao gồm nhà sản xuất cơ sở thép, công ty đóng tàu, công ty sản xuất giấy, nhà sản xuất máy móc công nghiệp và nhà sản xuất xe đặc biệt.
Công ty Kiên Dũng (Kiduco) phân phối chính thức khớp nối cardan UJ Tech, khớp nối cardan đạt tiêu chuẩn được sử dụng trong nhiều ngành công nghiệp. Với sự cam kết mang đến những giải pháp hiệu quả, Kiduco luôn đảm bảo cung cấp sản phẩm tốt nhất đến tay khách hàng.
Chất lượng hàng đầu: Sản phẩm khớp nối cardan UJ Tech được sản xuất từ vật liệu cao cấp, đảm bảo độ bền và hiệu suất vượt trội trong các ứng dụng công nghiệp.
Hỗ trợ kỹ thuật chuyên nghiệp: Kỹ sư của Kiduco luôn sẵn sàng hỗ trợ khách hàng từ khâu tư vấn giải pháp, lắp đặt đến bảo trì sản phẩm.
Giá cả cạnh tranh: Kiduco cam kết cung cấp khớp nối cardan với giá cả hợp lý, mang lại lợi ích kinh tế cho khách hàng.
Dịch vụ hậu mãi tốt: Kiduco chú trọng đến dịch vụ hậu mãi, đảm bảo khách hàng luôn nhận được sự hỗ trợ kịp thời và hiệu quả.
Ngành công nghiệp ô tô: Đảm bảo hiệu suất ổn định cho các hệ thống truyền động của xe.
Ngành công nghiệp nặng: Truyền tải công suất hiệu quả cho các máy móc công nghiệp.
Ngành hàng hải: Đảm bảo hoạt động bền bỉ trong các hệ thống lái và truyền động của tàu thuyền.
Khớp nối cardan UJ Tech loại Bearing Type
Khớp nối UL Type

Bảng thông số kỹ thuật khớp nối cardan UL TYPE


Cách đọc thông số kỹ thuật:
Tcs: Functional limit Torque - Mô-men xoắn giới hạn chức năng
Lz (Order Production): Shortest possible compressed length - Chiều dài nén ngắn nhất có thể
G: Weight of shaft - Trọng lượng của trục
Tdw: Fatigue Torque - Mô-men xoắn mỏi
La: Length compensation - Bù chiều dài
Gr: Weight per 1,000mm tube - Trọng lượng trên mỗi 1.000mm ống
β: Maximum deflection angle per joint - Góc lệch tối đa mỗi khớp nối
Lz + La: Maximum operating length - Chiều dài hoạt động tối đa

Bảng thông số kỹ thuật khớp nối cardan UT TYPE


Cách đọc thông số kỹ thuật tương tự khớp nối cardan UL TYPE

Bảng thông số kỹ thuật khớp nối cardan UK TYPE


Cách đọc thông số kỹ thuật tương tự khớp nối cardan UL TYPE

Bảng thông số kỹ thuật khớp nối cardan UH TYPE

Cách đọc thông số kỹ thuật tương tự khớp nối cardan UL TYPE

Bảng thông số kỹ thuật khớp nối cardan UE TYPE


Cách đọc thông số kỹ thuật tương tự khớp nối cardan UL TYPE
Khớp nối cardan UJ Tech loại Cross Pin Type

Bảng thông số kỹ thuật khớp nối UC Type




Cách đọc thông số kỹ thuật:
Tham khảo "Các Biến Điều Kiện Cho Phép" trước khi chọn lựa.
Tcs: Functional limit Torque - Mô-men xoắn giới hạn chức năng
Tdw: Fatigue Torque - Mô-men xoắn mỏi
β: Maximum deflection angle per joint - Góc lệch tối đa mỗi khớp nối
Ts: Static tensile load - Tải kéo tĩnh

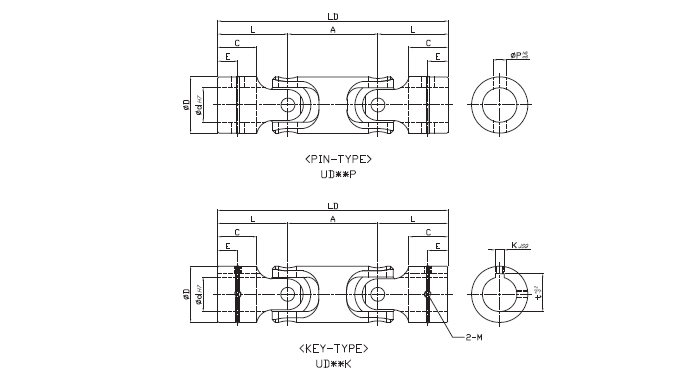
Bảng thông số kỹ thuật khớp nối cardan UD TYPE


Cách đọc thông số kỹ thuật:
Tham khảo "Các Biến Điều Kiện Cho Phép" trước khi chọn lựa.
Tcs: Functional limit Torque - Mô-men xoắn giới hạn chức năng
Tdw: Fatigue Torque - Mô-men xoắn mỏi
β: Maximum deflection angle per joint - Góc lệch tối đa mỗi khớp nối
Ts: Static tensile load - Tải kéo tĩnh

Bảng thông số kỹ thuật khớp nối cardan UP TYPE


Cách đọc thông số kỹ thuật khớp nối cardan UP TYPE:
L (Order Production): Shortest possible compressed length - Chiều dài nén ngắn nhất có thể
La: Length compensation - Bù chiều dài
L + La: Maximum operating length - Chiều dài hoạt động tối đa
LC: Refer to UC-type table - Tham khảo bảng loại UC

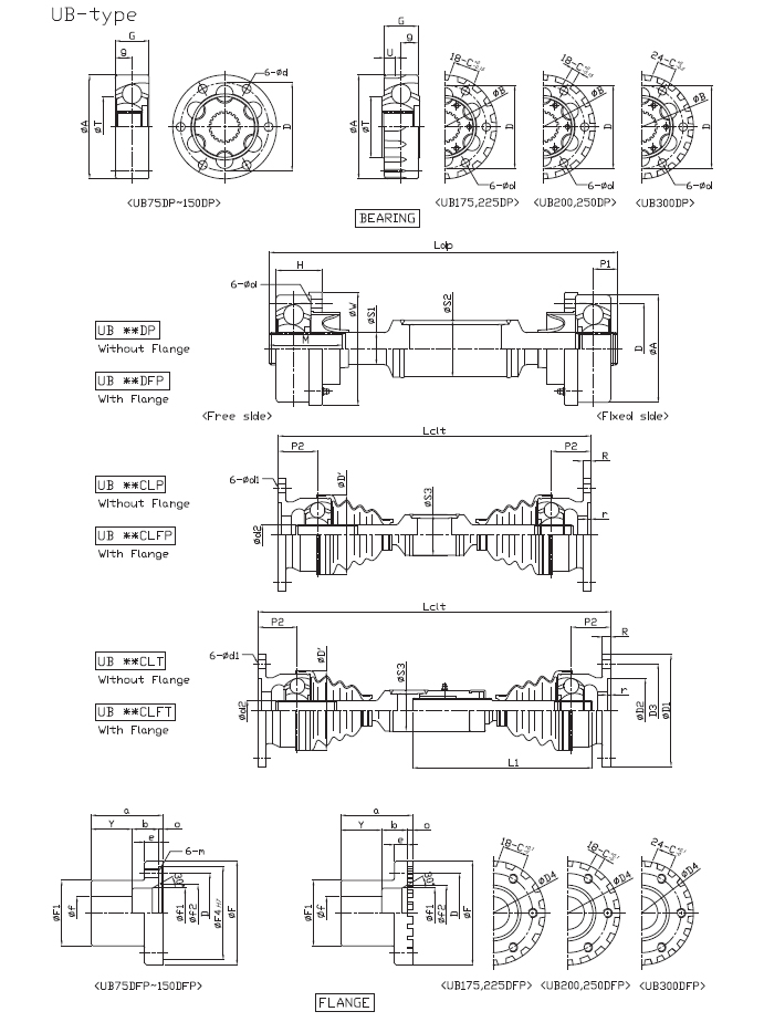
Bảng thông số kỹ thuật khớp nối cardan UB TYPE


Cách đọc thông số kỹ thuật:
TD1 (Dynamic allowable torque): Khi mô-men xoắn dao động trong quá trình quay theo một hướng
TD2 (Dynamic allowable torque): Khi khởi động/dừng và quay tới/lùi được lặp đi lặp lại thường xuyên
β: Maximum deflection angle per joint: Góc lệch tối đa mỗi khớp nối
Ldp, Lclp, Lclt: Order Production: Sản xuất theo đơn đặt hàng
Khớp nối cardan UJ Tech sản xuất theo tiêu chuẩn quốc tế, đạt yêu cầu của hầu như mọi nhà máy. Công ty Kiên Dũng (Kiduco) là công ty nhà phân phối chính thức các sản phẩm khớp nối cardan UJ Tech của Hàn Quốc tại Việt Nam. Với chất lượng đạt tiêu chuẩn quốc tế và đa dạng ứng dụng trong nhiều ngành công nghiệp, khớp nối cardan UJ Tech mang lại hiệu suất cao, bền bỉ và tin cậy. Đội ngũ sư Kiduco luôn sẵn sàng hỗ trợ khách hàng với dịch vụ tư vấn chuyên nghiệp, lắp đặt và bảo trì tận tâm, đảm bảo mang đến những giải pháp tối ưu và hiệu quả nhất. Hãy liên hệ với Kiduco qua Hotline/Zalo 0988.461.465 để trải nghiệm sản phẩm chất lượng và dịch vụ tốt nhất.