Số lượng:
Mã sku: SAMYANGMG88
Nhà sản xuất: Nara Samyang, Hàn Quốc
NHẬN BÁO GIÁ MỚI NHẤT
Facebook: https://www.facebook.com/kiduco
Động cơ giảm tốc Hàn Quốc Nara Samyang Max Geared Motor MG88 được dùng nhiều trong các nhà máy FDI Hàn, Nhật hoặc Châu Âu. Sản phẩm có chất lượng tốt hơn motor giảm tốc xuất xứ Trung và giá thành rẻ hơn các sản phẩm cùng thông số từ châu Âu. Do đó, Nara Samyang MG88 là lựa chọn tuyệt vời cho việc nhà máy muốn khách muốn sản phẩm chất lượng tốt nhưng với giá thành hợp lý. Kiên Dũng hiện đang là nhà phân phôi động cơ giảm tốc Samyang hàng đầu Việt Nam.
1. Thông số kỹ thuật và bản vẽ động cơ giảm tốc Samyang MG88
Thông số kỹ thuật Nara Samyang MG88
| Sản phẩm | Các mã sản phẩm | Số mã (HP) | Công suất (Kw) | Số vòng quay đầu ra (RPM) | Tỷ số truyền |
|---|---|---|---|---|---|
| MG 88 | Samyang MG88F, Samyang MG88V, Samyang MG88L | 1/4 | 0.2 | 360~18 | 1/5~1/100 |
Thông số kỹ thuật các động cơ giảm tốc khác

Hình ảnh sản phẩm
Dưới đây là hình ảnh đại diện cho động cơ giảm tốc Samyang mã MG88 với hai kiểu lắp chính là lắp chân đế và lắp mặt bích.

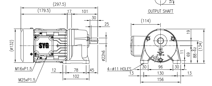
Bản vẽ kỹ thuật
Dưới đây là bản vẽ kỹ thuật của động cơ motor, dạng 3 pha, kiếu lắp mặt bích và chân đế, ứng với Samyang MG-88F và Samyang MG-88V


Hiệu suất cao: Động cơ giảm tốc Samyang MG88 được thiết kế để cung cấp mô-men xoắn mạnh mẽ với hiệu suất truyền động tối ưu, đảm bảo hoạt động hiệu quả và ổn định trong thời gian dài.
Thiết kế nhỏ gọn: Với kích thước nhỏ gọn, Motor giảm tốc MG88 giúp tiết kiệm không gian lắp đặt và dễ dàng tích hợp vào các hệ thống hiện có.
Độ bền cao: Sản phẩm này được chế tạo từ các vật liệu chất lượng cao, đảm bảo khả năng chịu tải lớn và tuổi thọ dài, ngay cả trong các điều kiện làm việc khắc nghiệt.
Tiết kiệm năng lượng: Thiết kế tiên tiến của MG88 giúp tối ưu hóa việc sử dụng năng lượng, giảm thiểu tổn thất và chi phí vận hành.
Dễ dàng lắp đặt và bảo trì: Động cơ giảm tốc Samyang MG88 được thiết kế để dễ dàng lắp đặt và bảo trì, giúp giảm thiểu thời gian dừng máy và chi phí bảo trì.
Động cơ giảm tốc Samyang MG88 được sử dụng rộng rãi trong nhiều ngành công nghiệp, bao gồm:
Sản xuất và gia công cơ khí: Động cơ giảm tốc Samyang MG88 giúp cải thiện hiệu suất và độ chính xác của các thiết bị sản xuất, đảm bảo chất lượng sản phẩm đầu ra.
Ngành công nghiệp nặng: Với khả năng chịu tải lớn và độ bền cao, Động cơ giảm tốc Samyang MG88 là lựa chọn hàng đầu cho các ứng dụng trong ngành công nghiệp nặng như khai thác mỏ, sản xuất thép, và xi măng.
Hệ thống tự động hóa: Motor giảm tốc MG88 giúp tối ưu hóa hiệu suất của các hệ thống tự động hóa, nâng cao hiệu quả sản xuất và giảm chi phí vận hành.
Kiên Dũng (Kiduco) phân phối đầu tiên dòng sản phẩm động cơ giảm tốc Max Geared Motor MG88 tại thị trường Việt Nam, với uy tín lâu năm trong ngành Kiên Dũng khẳng định mang đến khách hàng sản phẩm thiết bị công nghiệp chất lượng và giá cả cạnh tranh.

Lý do qúy khách nên lựa chọn Kiên Dũng cung cấp động cơ giảm tốc Hàn Quốc Nara Samyang Hàn Quốc:

Kiên Dũng tự hào là đại lý chính hãng của Nara Samyang tại Việt Nam, chuyên phân phối động cơ giảm tốc Samyang MG88 và các sản phẩm hộp số khác. Với uy tín và kinh nghiệm, chúng tôi cam kết cung cấp sản phẩm chất lượng cao, chính hãng với giá cả cạnh tranh. Hãy liên hệ với Kiên Dũng qu SĐT/Zalo 0988.461.465 để được tư vấn và nhận báo giá tốt nhất!