Số lượng:
Mã sku: (Đang cập nhật...)
Nhà sản xuất: Nara Samyang, Hàn Quốc
NHẬN BÁO GIÁ MỚI NHẤT
Facebook: https://www.facebook.com/kiduco
Động cơ giảm tốc Samyang Max II Geared Motor được sản xuất bởi công ty Nara Samyang, Hàn Quốc. Nara Samyang thành lập lâu đời từ năm 1967 uy tín và có danh tiếng về sản xuất hộp số giảm tốc và động cơ giảm tốc. Kiên Dũng hiên đang nhập khẩu và phân phối chính thức dòng sản phẩm động cơ giảm tốc Samyang Max II Geared Motor tại thị trường Việt Nam. Với kinh nghiệm và uy tín lâu năm trong ngành, Kiên Dũng cam kết mang đến cho khách hàng những sản phẩm chất lượng cao, dịch vụ hỗ trợ chuyên nghiệp và giá thành cạnh tranh.
Các chi tiết bộ phận của động cơ giảm tốc Max II Geared Motor được tiêu chuẩn hóa, sản xuất dưới dạng bán thành phẩm và bảo quản tồn kho với số lượng lớn, các bộ phận cần thiết được lắp ráp nhanh chóng khi có yêu cầu của khách hàng (các yêu cầu theo thiết kế tùy chỉnh sẽ không được đáp ứng).
Do các máy móc chính xác mới nhất như máy cạo râu và máy mài được giới thiệu để sản xuất, độ tin cậy cao được giữ vững nhờ độ chính xác cao và hiệu quả cao.
Hàng hóa có thiết kế gọn nhẹ nhờ sử dụng vật liệu thiết kế trên máy tính, có độ ồn thấp và trọng lượng nhẹ, và chịu được tải trọng cao nhờ vào xử lý nhiệt đặc biệt và mài răng bánh răng.
Tỉ số truyền giảm tốc dao động trong phạm vi rộng lên đến 1/200 trong hộp số 1 cấp.
Có thể thay thế động cơ giảm tốc GEARED MOTOR hiện có: kích thước cài đặt được chia sẻ.
Tuổi thọ lâu dài được đảm bảo bằng phương pháp bôi trơn dầu mỡ trước đó.
Động cơ giảm tốc Samyang mạnh mẽ: trường hợp tối ưu được lựa chọn dựa trên momen xoắn và tăng độ cứng bánh răng sử dụng hệ số an toàn AGMA.
» Model No.: #88 ~ #172
» Cụ thể: M2075, M2088, M2105, M2135, M2153, M2172
» Công suất: 0.2kW ~ 3.7kW (1/4HP ~ 5HP)
» Tỷ số giảm tốc: 1/5 ~ 1/200
» Kiểu lắp: Ngang (Horizontal Type) - loại chân đế, Dọc (Vertical Type) - loại mặt bích, động cơ không có hộp số (Line Power).
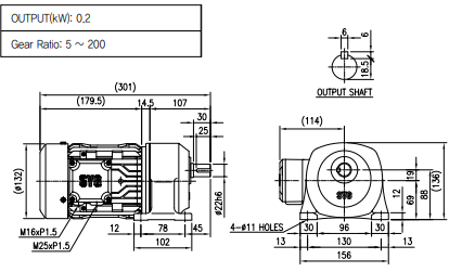
Qúy khách vui lòng xem bản vẽ thể hiện thông số của từng loại động cơ giảm tốc công suất nhỏ tại đây.
Ảnh minh họa bản vẽ kỹ thuật động cơ giảm tốc loại công suất nhỏ (Max II Geared Motor Nara Samyang)

>>> Tham khảo thêm sản phẩm: Động cơ giảm tốc Samyang loại tiêu chuẩn
Lợi ích khi chọn mua động cơ giảm tốc samyang Max II geared motor tại Kiên Dũng:
Sản phẩm chính hãng: Kiên dũng cam kết cung cấp sản phẩm chính hãng samyang với chất lượng đảm bảo và giấy tờ chứng nhận đầy đủ.
Dịch vụ hỗ trợ kỹ thuật: Đội ngũ kỹ thuật viên của kiên dũng luôn sẵn sàng hỗ trợ khách hàng trong việc lắp đặt, vận hành và bảo trì sản phẩm.
Chính sách bảo hành: Kiên dũng cung cấp chính sách bảo hành uy tín, giúp khách hàng yên tâm sử dụng sản phẩm.
Tư vấn chuyên nghiệp: Kiên dũng luôn lắng nghe nhu cầu của khách hàng và tư vấn giải pháp phù hợp nhất với từng ứng dụng cụ thể.
Công ty Kiên Dũng (Kiduco) chuyên nhập khẩu và phân phối sản phẩm động cơ giảm Samyang Max 2 Geared Motor chính hãng từ nhà sản xuất Nara Samyang, Hàn Quốc với chất lượng cao và giá cả cạnh tranh trên thị trường Việt Nam. Khi có bất cứ thắc mắc nào về sản phẩm hộp số giảm tốc và động cơ giảm tốc, quý khách hàng hãy liên hệ công ty Kiên Dũng chúng tôi qua số ĐT/Zalo 0988.461.465. Đội ngũ kỹ sư sẽ lựa chọn và tư vấn cho khách hàng những sản phẩm phù hợp nhất.