Số lượng:
Mã sku: SAMYANGMG105
Nhà sản xuất: Nara Samyang, Hàn Quốc
NHẬN BÁO GIÁ MỚI NHẤT
Facebook: https://www.facebook.com/kiduco
Động cơ giảm tốc Nara Samyang Max Geared Motor MG105 của Hàn Quốc được ưa chuộng sử dụng trong các nhà máy có vốn đầu tư nước ngoài từ Hàn Quốc, Nhật Bản và Châu Âu. Sản phẩm này có chất lượng cao hơn các sản phẩm cùng loại từ Trung Quốc,nhưng giá thành thấp hơn so với các sản phẩm có cùng thông số kỹ thuật từ Châu Âu. Động cơ giảm tốc Nara Samyang MG105 là một trong những sản phẩm nổi bật trong lĩnh vực công nghiệp, được thiết kế để đáp ứng nhu cầu truyền động hiệu quả và bền bỉ. Với những thông số kỹ thuật ấn tượng, MG105 mang lại nhiều ưu điểm cho các ứng dụng trong nhiều lĩnh vực khác nhau. Vì vậy, việc lựa chọn động cơ Nara Samyang MG105 là một sự lựa chọn hoàn hảo cho nhà máy muốn cung cấp sản phẩm chất lượng cao với mức giá phù hợp.

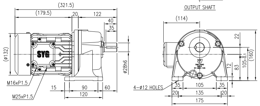
1. Bản vẽ và thông số kỹ thuật động cơ giảm tốc Samyang MG105
Thông số kỹ thuật động cơ giảm tốc Nara Samyang MG105:
| Sản phẩm | Các mã sản phẩm | Số mã (HP) | Công suất (Kw) | Số vòng quay đầu ra (RPM) | Tỷ số truyền |
|---|---|---|---|---|---|
| MG 105 | Samyang MG105F, Samyang MG105V, Samyang MG105L | 1/2 | 0.4 | 360~18 | 1/5~1/100 |
HÌNH ẢNH SẢN PHẨM
Dưới đây là hình ảnh đại diện cho mã MG105 với hai kiểu lắp chính là lắp chân đế và lắp mặt bích.

Dưới đây là bản vẽ kỹ thuật của động cơ, dạng 3 pha, kiếu lắp mặt bích và chân đế, lần lượt ứng với Samyang MG-105F và Samyang MG-105V


Công suất hợp lý: Với công suất 0.4 kW, động cơ MG105 phù hợp cho nhiều ứng dụng từ nhẹ đến trung bình, giúp tiết kiệm điện năng mà vẫn đảm bảo hiệu suất hoạt động.
Tỷ số truyền đa dạng: Tỷ số truyền từ 1/5 đến 1/100 cho phép động cơ MG105 có thể điều chỉnh tốc độ đầu ra linh hoạt, đáp ứng các yêu cầu cụ thể của từng ứng dụng. Điều này rất quan trọng trong các ngành như chế biến thực phẩm, sản xuất công nghiệp và tự động hóa.
Tốc độ đầu ra: Với tốc độ đầu ra từ 360 đến 18 RPM, động cơ này lý tưởng cho các thiết bị cần giảm tốc độ một cách hiệu quả. Tốc độ chậm giúp giảm thiểu sự mài mòn và kéo dài tuổi thọ của máy móc.
Thiết kế bền bỉ: Sản phẩm được sản xuất từ các vật liệu chất lượng cao, đảm bảo khả năng hoạt động ổn định trong điều kiện khắc nghiệt.
Dễ dàng lắp đặt và bảo trì: MG105 được thiết kế để dễ dàng lắp đặt và bảo trì, giúp giảm thiểu thời gian dừng máy và tiết kiệm chi phí cho doanh nghiệp.

Động cơ giảm tốc Nara Samyang MG105 thường được sử dụng trong các lĩnh vực như:
Chế biến thực phẩm: Trong các dây chuyền sản xuất, MG105 giúp điều chỉnh tốc độ băng chuyền và máy móc chế biến.
Ngành công nghiệp nhẹ: Dùng cho các thiết bị như băng tải, máy đóng gói, và các thiết bị tự động khác.
Các ứng dụng trong tự động hóa: MG105 hỗ trợ trong việc điều khiển tốc độ và vị trí của các bộ phận máy móc.
Khách hàng nên lựa chọn Kiên Dũng là đối tác cung cấp Động cơ giảm tốc Nara Samyang MG105 Hàn Quốc vì một số lý do sau:
Uy quyền đại lý chính hãng: Chúng tôi được pháp lý ủy quyền là đại diện chính thức của Nara Samyang tại Việt Nam, đảm bảo cung cấp sản phẩm chính hãng với mức giá cạnh tranh.

Hỗ trợ sau bán hàng đáng tin cậy: Khi sử dụng sản phẩm, nếu gặp phải bất kỳ vấn đề nào, quý khách sẽ được hỗ trợ trực tiếp từ hãng để giải quyết mọi vấn đề, điều này không thể có khi mua hàng qua kênh thương mại thông thường.
Chính sách minh bạch: Chúng tôi cam kết bảo hành ít nhất 01 năm, đồng thời có dịch vụ giao hàng toàn quốc.
Cung cấp dịch vụ nhanh chóng: giao hàng nhanh, hỗ trợ giao hàng toàn quốc, giảm tối đa thời gian chờ hàng.
Đội ngũ kỹ sư giàu kinh nghiệm: Quý khách sẽ được tư vấn bởi đội ngũ kỹ sư có kinh nghiệm, từng làm việc tại các nhà máy lớn như Formosa, Hòa Phát,... để đảm bảo việc lựa chọn sản phẩm phù hợp với nhu cầu của mình.
Công ty năng động và có trách nhiệm xã hội: Chúng tôi là một công ty năng động, chú trọng đến việc tham gia các triển lãm cấp quốc gia và thực hiện trách nhiệm xã hội thông qua các hoạt động từ thiện như chương trình Trung Thu,...

Động cơ giảm tốc Nara Samyang MG105 không chỉ mang lại hiệu suất hoạt động cao mà còn cung cấp giải pháp linh hoạt cho nhiều ứng dụng công nghiệp. Với thiết kế bền bỉ và tính năng đa dạng, MG105 là lựa chọn đáng tin cậy cho các doanh nghiệp mong muốn tối ưu hóa quy trình sản xuất của mình. Liên hệ với công ty Kiduco Kiên Dũng chúng tôi để được hỗ trợ tư vấn về sản phẩm của Nara Samyang.