Số lượng:
Mã sku: SAMYANGMG235
Nhà sản xuất: Nara Samyang, Hàn Quốc
NHẬN BÁO GIÁ MỚI NHẤT
Facebook: https://www.facebook.com/kiduco
Động cơ giảm tốc Nara Samyang Max Geared Motor mã MG235 được dùng nhiều tại các nhà máy sử dụng dây chuyền sản xuất từ Hàn Quốc, Nhật Bản hoặc châu Âu.
Kiên Dũng là đại diện chính thức của Nara Samyang tại Việt Nam, do đó giá cung cấp rẻ hơn. Quan trọng nhất, quý khách sẽ được hãng hợp tác Kiên Dũng trực tiếp giải quyết vấn đề phát sinh khi sử dụng, giảm tối đa rủi ro mua hàng.
Kiên Dũng còn cung cấp các lựa chọn khác về giá cả và xuất xứ cho motor giảm tốc có cùng công suất nhưng mức giá rẻ hơn hoặc đắt hơn, đến từ Đài, Trung, Nhật, Đức, Ý.
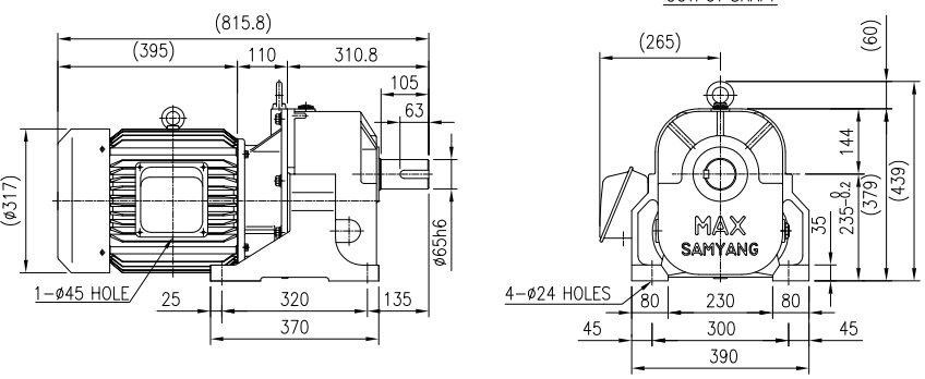
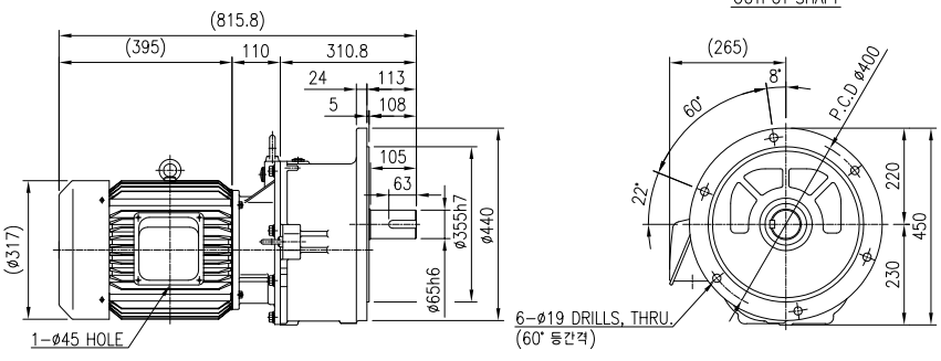
1. Bản vẽ và Thông số kỹ thuật Động cơ giảm tốc Samyang MG235
Motor giảm tốc Nara MG235 có ba dạng chính là mã Samyang MG-235F (kiểu lắp chân đế), Samyang MG-235V và Samyang MG-235L (dạng motor, không có hộp số).
HÌNH ẢNH SẢN PHẨM
Dưới đây là hình ảnh đại diện cho mã MG235 với kiểu lắp chân đến và mặt bích:

Dưới đây là bản vẽ kỹ thuật đại diện của Max Geared Motor MG 235, lần lượt dạng lắp ngang và dọc, công suất 11kW


Các lí do mà khách hàng nên chọn Kiên Dũng làm đối tác cung cấp động cơ giảm tốc Max Gear Motor MG235:


CÔNG TY TNHH THƯƠNG MẠI SẢN XUẤT KIÊN DŨNG
Địa chỉ: 1 Đường Số 31A, An Phú, Thành phố Thủ Đức, Thành phố Hồ Chí Minh 70830, Việt Nam
Hotline: 0988.461.465
Zalo: tại đây
Fanpage để biết thêm về khả năng của chúng tôi: https://www.facebook.com/kiduco