Số lượng:
Mã sku: SAMYANGMG172
Nhà sản xuất: Nara Samyang, Hàn Quốc
NHẬN BÁO GIÁ MỚI NHẤT
Facebook: https://www.facebook.com/kiduco
Động cơ giảm tốc Nara Samyang Max Geared Motor MG172 có công suất lần lượt 1.5kW, 2.2kW và 3.7kW. Sản phẩm được dùng tại các nhà máy sử dụng công nghệ Hàn, Nhật hoặc châu Âu.
Samyang MG172 có chất lượng tốt hơn động cơ tương đương từ Trung Quốc, và giá rẻ hơn so với sản phẩm cùng thông số từ châu Âu. Do đó, nếu quý khách muốn chọn motor có công suất dao động từ 1.5 đến 3.7kW thì Max Gear MG172 là sự lựa chọn hợp lý từ giá và chất lượng.
Kiên Dũng còn cung cấp các lựa chọn khác về giá cả và xuất xứ cho motor giảm tốc 1.5kW, 2.2kW và 3.7kW bao gồm Đài, Trung, Nhật, Đức, Ý.
1. Bản vẽ và Thông số kỹ thuật Động cơ giảm tốc Samyang MG172
Motor giảm tốc Nara MG172 có ba biến thể chính là mã Samyang MG-172F (kiểu lắp chân đế), Samyang MG-172V và Samyang MG-172L (dạng motor, không có hộp số).
| Sản phẩm | Các mã sản phẩm | Số mã (HP) | Công suất (Kw) | Số vòng quay đầu ra (RPM) | Tỷ số truyền |
|---|---|---|---|---|---|
| MG 172 | Samyang MG172F, Samyang MG172V, Samyang MG172L | 2, 3, 5 | 1.5, 2.2, 3.7 | 30, 36, 45 | 1/40 ~ 1/60 |
Thông số kỹ thuật các động cơ giảm tốc khác:

HÌNH ẢNH SẢN PHẨM
Dưới đây là hình ảnh đại diện cho mã MG172 với kiểu lắp chân đến và mặt bích:

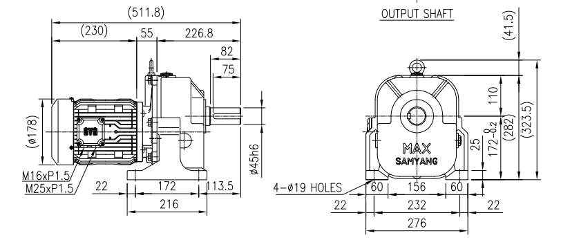
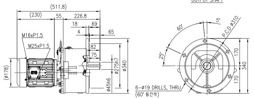
Dưới đây là bản vẽ kỹ thuật đại diện của Max Geared Motor MG 172, lần lượt dạng lắp ngang và dọc, công suất 2.2kW


Các lí do mà khách hàng nên chọn Kiên Dũng làm đối tác cung cấp động cơ giảm tốc Max Gear Motor MG172:
Uy quyền đại lý chính hãng: Chúng tôi là đại diện chính thức của Nara Samyang tại Việt Nam, mang đến cho quý khách sản phẩm chính hãng với mức giá rẻ hơn thị thường.
Đa dạng lựa chọn: Chúng tôi cung cấp nhiều loại động cơ giảm tốc có thông số kể trên, đa dạng giá và chất lượng từ Trung, Đài, Nhật, châu Âu.
Chính sách minh bạch: Bảo hành ít nhất 01 năm, giao hàng toàn quốc và có chiết khấu khi mua số lượng lớn.
Dịch vụ nhanh chóng: Giao hàng nhanh, giảm thiểu rủi ro máy dừng vận hành quá lâu.
Đội ngũ kỹ sư kinh nghiệm: Được tư vấn bởi các kỹ sư có kinh nghiệm làm việc từ Hòa Phát, SS Posco Vina, Formosa,... sẽ giúp quý khách lựa chọn sản phẩm phù hợp.
Đóng góp xã hội: Kiên Dũng cùng quý khách phát triển xã hội thông qua các hoạt động thiện nguyện, đặc biệt vào dịp Trung Thu.


CÔNG TY TNHH THƯƠNG MẠI SẢN XUẤT KIÊN DŨNG
Địa chỉ: 1 Đường Số 31A, An Phú, Thành phố Thủ Đức, Thành phố Hồ Chí Minh 70830, Việt Nam
Hotline: 0988.461.465
Zalo: tại đây
Fanpage để biết thêm về khả năng của chúng tôi: https://www.facebook.com/kiduco