Số lượng:
Mã sku: SAMYANGMG270
Nhà sản xuất: Nara Samyang, Hàn Quốc
NHẬN BÁO GIÁ MỚI NHẤT
Facebook: https://www.facebook.com/kiduco
Động cơ giảm tốc Nara Samyang Max Gear Motor mã MG270 được dùng nhiều tại các nhà máy FDI sử dụng dây chuyền sản xuất của Hàn, Nhật, châu Âu.
Kiên Dũng, là đại diện chính thức của Nara Samyang tại Việt Nam, do đó quý khách được hưởng chính sách giá, chính sách bảo hành ưu đãi hơn, giảm tối thiểu khả năng mua hàng kém chất lượng. Ngoài ra, khi được các kỹ sư Kiên Dũng cung cấp thì quý khách cũng giảm tối đa khả năng mua hàng sai.
Kiên Dũng còn cung các motor giảm tốc đến từ Đài, Trung, Nhật, Đức, Ý với cùng thông số kỹ thuật với đa dạng phân khúc giá để cho quý vị có đa dạng lựa chọn.
1. Bản vẽ và Thông số kỹ thuật Động cơ giảm tốc Samyang MG270
Motor giảm tốc Nara MG270 có ba dạng chính là mã Samyang MG-270F (kiểu lắp chân đế), Samyang MG-270V và Samyang MG-270L (dạng motor, không có hộp số).
Dưới đây là thông số kỹ thuật của sản phẩm trên:
| Sản phẩm | Các mã sản phẩm | Số mã (HP) | Công suất (Kw) | Số vòng quay đầu ra (RPM) | Tỷ số truyền |
|---|---|---|---|---|---|
| Nara Samyang MG270 |
Samyang MG270F,Samyang MG270V, Samyang MG270L |
3 | 2.2 | 15 | 1/120 |
| 5 | 3.7 | 20 | 1/90 | ||
| 7.5 | 5.5 | 30 | 1/60 | ||
| 10 | 7.5 | 36, 45 | 1/50, 1/60 | ||
| 15 | 11 | 60 | 1/30 | ||
| 20 | 15 | 90, 120 | 1/20, 1/15 |
HÌNH ẢNH SẢN PHẨM
Dưới đây là hình ảnh đại diện cho mã MG270 với kiểu lắp chân đến và mặt bích:

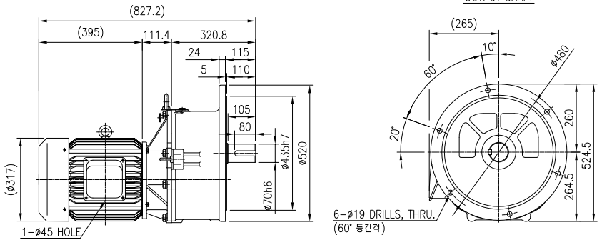
Dưới đây là bản vẽ kỹ thuật sản phẩm đại diện của Max Geared Motor MG 270, lần lượt dạng lắp ngang và dọc, công suất 15kW


Các lí do mà khách hàng nên chọn Kiên Dũng làm đối tác cung cấp động cơ giảm tốc Max Gear Motor MG270:
Sản phẩm chính hãng với giá cạnh tranh: Kiên Dũng là đại lý chính thức của Nara Samyang Hàn Quốc tại Việt Nam, đảm bảo cung cấp sản phẩm chính hãng với mức giá hấp dẫn.
Khả năng cung cấp sản phẩm thay thế đa dạng: KIDUCO có thể cung cấp động cơ có cùng thông số kỹ thuật từ nhiều quốc gia như Trung Quốc, Đài Loan, Nhật Bản, Hàn Quốc và châu Âu.
Chính sách minh bạch và hỗ trợ khách hàng: Bảo hành ít nhất 01 năm, giao hàng toàn quốc và cung cấp chiết khấu cho đơn hàng số lượng lớn.
Dịch vụ cung cấp sản phẩm nhanh chóng và hiệu quả: Đảm bảo giao hàng nhanh và giảm thiểu thời gian máy ngừng vận hành.
Hỗ trợ không chỉ bán sản phẩm mà còn giải pháp: Khách hàng được hướng dẫn mua hàng bởi các kỹ sư có kinh nghiệm từ SS Posco Vina, Hòa Phát, Formosa,...
Cam kết đóng góp xã hội: Thể hiện qua việc thường xuyên tham gia các hoạt động thiện nguyện, đặc biệt vào dịp Trung Thu, để hỗ trợ và góp phần vào xã hội.


CÔNG TY TNHH THƯƠNG MẠI SẢN XUẤT KIÊN DŨNG
Địa chỉ: 1 Đường Số 31A, An Phú, Thành phố Thủ Đức, Thành phố Hồ Chí Minh 70830, Việt Nam
Hotline: 0988.461.465
Zalo: tại đây
Fanpage để biết thêm về khả năng của chúng tôi: https://www.facebook.com/kiduco