Số lượng:
Mã sku: (Đang cập nhật...)
Nhà sản xuất: MAV, Italy
NHẬN BÁO GIÁ MỚI NHẤT
Facebook: https://www.facebook.com/kiduco
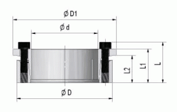
MAV Locking Device là một công ty của Ý nổi tiếng trên thế giới về thiết bị khóa đầu trục, khóa trục côn, bộ khóa trục, khóa đầu trục motor, khớp nối trục côn, khớp nối cứng, khớp nối đĩa. Các tổ hợp khóa trục bằng ma sát của hãng MAV 1071 cung cấp một kết nối không cần then cài, chốt khóa giữa trục dẫn và khối hoạt động gắn ngoài như: bánh răng, ròng rọc, trục cam, đòn bẩy, khối quay rotor, cánh quạt, và những thiết bị khác. Các khóa trục của hãng MAV rất phù hợp để truyền momen xoắn, tải lực đẩy, momen uốn và tải trọng hướng tâm, riêng biệt hoặc đồng thời.
Medium torque capacity
Self-locking and self-centering
Axial fixation of hub during tightening
Max tolerances: shaft h8; hub bore H8
Shaft-hub bore max surface finish: Ra <=3.2 µm
