Khớp nối lò xo là còn gọi là khớp nối lưới/khớp nối trục cơ khí, một phần quan trọng và không thể thiếu trong việc kết nối các thành phần cơ khí lại với nhau. Với thiết kế linh hoạt nhỏ gọn và kết cấu thép hợp kim cứng cường độ cao, loại khớp nối KCP đã trở thành một trong những giải pháp phổ biến cho nhiều máy móc tại các nhà máy xí nghiệp Việt Nam.
Tham khảo khớp nối lò xo khớp nối lưới KCP
1. Nguyên Lý hoạt Động khớp nối lò xo
Khớp nối lò xo hay còn gọi là khớp nối lưới hoạt động dựa trên nguyên lý của lực nén và uốn cong của lò xo. Khi hai thành phần cần được kết nối, các lò xo trong khớp được nén và uốn cong, tạo ra một lực kẹp giữa chúng. Điều này giúp giữ cho các thành phần ổn định trong quá trình hoạt động và truyền động chuyển động từ một thành phần sang thành phần khác.

2. Đặc Điểm Chính
- Linh hoạt: Khớp nối lò xo có thể được thiết kế để chịu được các động tác linh hoạt và chuyển động không đồng đều giữa các thành phần, giảm thiểu sự truyền động rung động và rung lắc.
- Chịu Tải Tốt: Với cấu trúc lò xo chắc chắn, loại khớp nối này có khả năng chịu tải cao mà vẫn duy trì tính linh hoạt cần thiết cho việc chuyển động.
- Đa Dạng Ứng Dụng: Khớp nối lò xo được sử dụng trong nhiều ứng dụng khác nhau, bao gồm hệ thống truyền động, máy móc công nghiệp, thiết bị y tế và thậm chí trong sản phẩm gia dụng như các loại máy ép, máy xay…
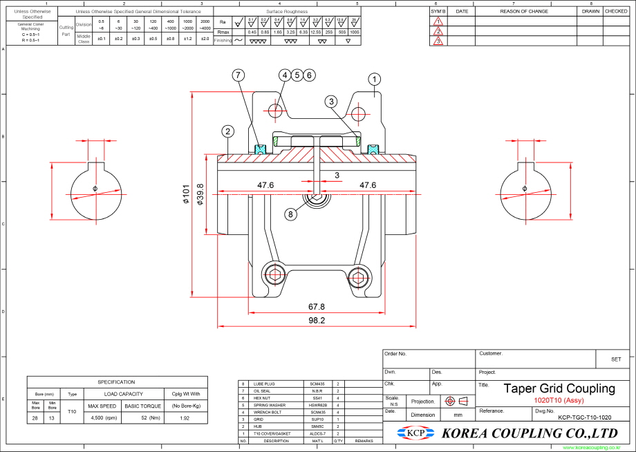
3. Tham khảo khớp nối lò xo KCP T10
Ưu điểm khớp nối lò xo KCP T10
- Kích thước nhỏ gọn
- Xử lý công suất momen xoắn nhờ kết cấu thép hợp kim cứng cường độ cao
- Làm lệch hướng xoắn đối với tải va đập hoặc rung thông thường
- Khả năng điều chỉnh sai lệch mà không tạo ra tải trọng bên có hại
- Được thiết kế với mặt cắt hình thang và được tôi luyện để tạo độ cứng cho lò xo
- Tăng xếp hạng sức mạnh và cung cấp sức mạnh dự trữ cho tuổi thọ dài hơn
- Dễ dàng lắp các lưới hình thang vào các khe của trục và thời gian lắp đặt ngắn. Tự do lắc, xoay và nổi.
*Kích thước KCP phổ biến 1020T10, 1030T10, 1040T10, 1050T10, 1060T10, 1070T10, 1080T10, 1090T10, 1100T10, 1110T10, 1120T10,1130T10, 1140T10.


Tham khảo thông số kỹ thuật của khớp nối trục KCP
4. Ứng dụng trong công nghiệp và cuộc sống hàng ngày
Ứng dụng khớp nối lò xo trong công nghiệp rất đa dạng và có nhiều lợi ích, bao gồm:
- Truyền Động Mát Mẻ: Khớp nối lò xo có thể được sử dụng để truyền động mát mẻ giữa các bộ phận trong máy móc và thiết bị công nghiệp. Chúng giúp truyền động một cách linh hoạt và hiệu quả trong các ứng dụng đòi hỏi sự chuyển động đều đặn.
- Giảm Chấn và Điều Tiết: Khớp nối lò xo cung cấp tính linh hoạt và giảm chấn trong quá trình truyền động, giúp bảo vệ các bộ phận máy khỏi những tác động mạnh đột ngột. Điều này làm tăng tuổi thọ của máy móc và giảm thiểu sự hỏng hóc.
- Cải Thiện Độ Chính Xác: Trong một số ứng dụng, khớp nối lò xo có thể cải thiện độ chính xác của hệ thống bằng cách giảm hiện tượng lệch lạc giữa các bộ phận. Điều này đặc biệt quan trọng trong các hệ thống yêu cầu độ chính xác cao như máy gia công CNC.
- Tăng Cường An Toàn: Sử dụng khớp nối lò xo có thể giảm thiểu nguy cơ tai nạn trong quá trình vận hành máy móc bằng cách giảm hiện tượng rung lắc và những tác động không mong muốn đối với người vận hành.
- Tích Hợp Linh Hoạt: Khớp nối lò xo có thể được tích hợp vào các hệ thống tự động hóa và điều khiển tự động, giúp tăng cường tính linh hoạt và hiệu suất của hệ thống.
Ví dụ cụ thể về ứng dụng khớp nối lò xo trong công nghiệp là trong các dây chuyền sản xuất, nơi cần truyền động mát mẻ, giảm chấn và điều tiết trong quá trình vận hành.
Cụ thể, khớp nối lò xo có thể được sử dụng để kết nối trục của máy móc chuyển động với các bộ truyền động như động cơ, bánh răng, hoặc trục động cơ. Điều này giúp giảm rung lắc và đảm bảo chuyển động mượt mà, đồng thời bảo vệ các bộ phận khỏi sự mài mòn và hỏng hóc do tác động lực lượng.
Khớp nối lò xo đóng vai trò quan trọng trong việc kết nối và truyền động trong nhiều ứng dụng khác nhau, từ công nghiệp đến cuộc sống hàng ngày. Với tính linh hoạt, chịu tải cao và đa dạng ứng dụng, loại khớp này tiếp tục phát triển và trở thành một phần không thể thiếu trong ngành cơ khí và công nghiệp.