Số lượng:
Khớp nối trục lò xo KCP (hay grid coupling KCP) là gì? Khi nào thì mua loại khớp nối này thay vì khớp nối vấu hay khớp nối bánh răng cũng như các loại phổ biến trong khớp nối lưới là điều tối quan trọng để ra quyết định mua hàng đúng. Bài viết này KIDUCO sẽ cho các bạn cái nhìn rõ ràng nhất về nhóm sản phẩm này.
Khớp nối lò xo (hay gọi là grid coupling, khớp nối lưới) là một thiết bị dùng cùi và lò xo làm trung gian để kết nối giữa trục của thiết bị truyền động (driving side) và trục thiết bị nhận truyền động (driven side).
Trên thị trường có rất nhiều khớp nối, KIDUCO có thể gợi ý một số tiêu chí ưu việc của khớp nối lưới để quý khách có sự lựa chọn phù hợp nhất.
Cụ thể, khớp nối lò xo có những đặc điểm đặc biệt như:
Vẫn còn đang phân vân? Liên hệ ngay với kỹ sư của chúng tôi để được tư vấn.
Dù đa dạng về chủng loại, kích thước nhưng khớp nối lò xo có những điểm chung về cấu tạo như có phần cùi (hub), lưới lò xo (grid), vỏ (cover), phớt chặn dầu (ron).
Chức năng cơ bản bao gồm:
Khớp nối lưới lò xo được phân chia thành các loại phổ biến là T10, T20, T31, T35, T50, T63, KBW Type, T10/ G82 Type.
Loại khớp nối này chia thành 2 nhóm chính là loại tiêu chuẩn và loại lớn.
Loại tiêu chuẩn:

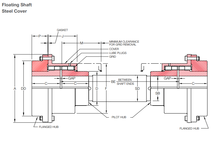
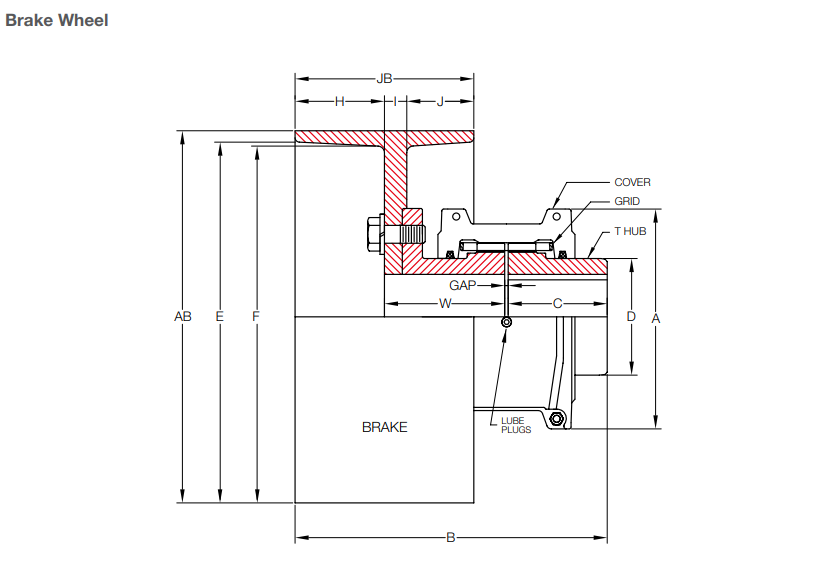
- Bản vẽ kỹ thuật

- Thông số kỹ thuật

Loại lớn:

- Bản vẽ kỹ thuật

- Thông số kỹ thuật


- Bản vẽ kỹ thuật

- Thông số kỹ thuật


- Bản vẽ kỹ thuật

- Thông số kỹ thuật


- Bản vẽ kỹ thuật

- Thông số kỹ thuật


- Bản vẽ kỹ thuật

- Thông số kỹ thuật


- Bản vẽ kỹ thuật

- Thông số kỹ thuật


- Bản vẽ kỹ thuật

- Thông số kỹ thuật


- Bản vẽ kỹ thuật

- Thông số kỹ thuật

Khớp nối lò xo có đa dạng các ứng dụng, cụ thể:
Việc chọn mua khớp nối kém chất lượng có thể phá hỏng cả một hệ thống truyền động, từ đó làm tăng chi phí mua hàng. Do đó, việc chọn khớp nối chất lượng là một điều tối quan trọng.
KIDUCO Kiên Dũng tự hào là nhà phân phối khớp nối KCP (Korean Coupling) và KTR tại Việt Nam. Qúy khách có thể tham khảo các sản phẩm khớp nối lò xo của chúng tôi ở dưới đây.